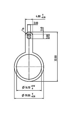
Caractéristiques générales
Plusless| Référence | 04 0735 124 |
| Design du connecteur | Feuille de blindage |
| Poids (g) | 0.335 |
| Numéro de tarif douanier | 74092900 |
Caractéristiques électriques
Plusless| Raccordement du blindage | Cosse à souder |
Matériaux
Plusless| REACH SVHC |
None (No pollutants) |
| Numéro SCIP | SCIP-number not available |
| Surface | DIN 50965 - Cu/Sn 4-8 |
| Matériel | CuZn37 |
Classifications
Plusless| eCl@ss 11.1 | 27-44-01-92 |
Avis général de non-responsabilité
- Des précautions de sécurité appropriées doivent être prises par l'utilisateur pour s'assurer que le connecteur ne peut pas être débranché accidentellement.

